Dioda atau diode merupakan suatu komponen elektronika aktif yang terbuat dari suatu bahan semikonduktor di mana berfungsi sebagai penghantar arus listrik ke satu arah namun menghambat arus listrik dari arah yang sebaliknya, salah satu jenis dari dioda tersebut adalah dioda penyearah.
Berikut ini akan kami bahas secara lebih detail terkait dioda rectifier atau Penyearah. Simak baik – baik ya.
Daftar Isi
Pengertian Dioda Penyearah

Rectifier atau Penyearah Gelombang merupakan sebuah bagian dari Rangkaian Catu Daya atau Power Supply yang fungsinya menjadi pengubah sinyal AC (Alternating Current) menjadi sinyal DC (Direct Current).
Rangkaian dari rectifier atau penyearah gelombang satu ini biasanya menggunakan suatu dioda sebagai komponen utamanya.
Hal tersebut disebabkan pada dioda memiliki karakteristik yang hanya melewatkan arus listrik menuju satu arah serta akan menghambat arus listrik dari arah yang sebaliknya.
Jika suatu dioda dialiri dengan arus bolak – balik (AC), sehingga dioda itu hanya akan melalui setengah gelombang, sementara setengah gelombang lainnya akan diblokir.
Terdapat tiga konfigurasi dioda pada saat dipakai sebagai penyearah gelombang tegangan AC, antara lain:
- Penyearah setengah gelombang.
- Penyearah gelombang penuh.
- Serta penyearah gelombang penuh menggunakan sistem jembatan (bridge).
Dioda penyearah adalah suatu dioda yang mempunyai konstruksi pertemuan P serta N (PN Junction). Jenis dioda satu ini memiliki fungsi sebagai penyearah tegangan AC menuju DC di dalam suatu power supply/ pencatu daya.
Pada rectifier penyearah hanya bisa mengalirkan arus listrik menuju satu arah (keadaan bias maju) serta menghambat arus dari arah sebaliknya (kondisi bias mundur.
Sebab di dalam dioda memiliki suatu junction (pertemuan) yang mana kawasan semikonduktor dengan tipe-p serta semikonduktor tipe-n bertemu.
Prinsip Kerja Dioda Penyearah

Salah satu fungsi dari dioda adalah menjadi penyearah arus.
Hal tersebut sesuai dengan karakteristik dasar dari dioda yang hanya melalui arus listrik satu arah aja.
Fungsi dioda untuk penyearah satu ini banyak digunakan di dalam rangkaian power supply.
Dan kali ini kita hanya akan membahas secara lebih rinci terkait prinsip kerja rectifier sebagai penyearah.
Yang berarti, penyearah disini adalah dioda yang digunakan untuk menyearahkan arus bolak – balik (AC) menjadi suatu arus searah (DC).
Prinsip satu ini digunakan pada waktu kalian memerlukan tegangan DC dari sumber tegangan AC seperti pada listrik rumah tangga.
Sumber listrik yang ada di rumah dan didapatkan dari PLN berupa tegangan AC sebesar 220V.
Untuk dapat digunakan di dalam perangkat elektronika seperti Radio, Televisi, DVD Player, Charger Hp atua lainnya, maka tegangan AC itu harus diturunkan serta disearahkan terlebih dulu.
Dan untuk kebutuhan penyearahan inilah akan memakai dioda.
Jenis Dioda Penyearah

Dilihat dari konfigurasi rangkaian dioda serta wujud sinyal yang dihasilkan, maka dibagi menjadi beberapa jenis.
Setiap konfigurasi memiliki kelebihan serta kekurangan masing – masing.
Di dalam pemilihan konfigurasi berdasarkan pada keperluan dengan memperhatikan aspek kehalusan kestabilan, dan tentunya biaya di dalam komponen tersebut.
Dan berikut ini adalah jenis dari konfigurasi rangkaian rectifier penyearah yang banyak sekali digunakan pada rangkaian elektronika, antara lain:
1. Dioda Penyearah Setengah Gelombang

Dioda penyearah setengah gelombang adalah suatu penyearah yang hanya mengeluarkan setengah siklus gelombang sinus dengan cara menggunakan satu blok dioda saja.
Kelebihan:
Komponen sangat sederhana.
Dapat menghemat biaya sebab hanya menggunakan satu dioda serta satu fasa sinyal sinus.
Kekurangan:
- Keluaran nya memiliki riak (ripple) yang sangat besar, sehingga menjadi tidak halus.
- Memerlukan kapasitor yang besar di dalam aplikasi frekuensi rendah seperti listrik PLN 50Hz.
- Kelemahan tersebut tidak akan berlaku pada aplikasi power supply frekuensi tinggi seperti di dalam rangkaian SMPS.
- Kurang efisien, sebab hanya mengambil satu siklus sinyal aja. Yang berarti siklus lainnya tidak diambil/ terbuang.
- Hal tersebutlah yang akan membuat keluaran dari penyearah setengah gelombang memiliki daya yang lebih kecil.
2. Dioda Penyearah Gelombang Penuh

Rectifier penyearah gelombang penuh adalah suatu penyearah yang mengeluarkan seluruh siklus gelombang sinus dari arah sinyal AC.
Prinsip kerja yang ada pada rangkaian ini adalah menciptakan penyearah ganda dengan lebih dulu kemudian membalik siklus negatif dari masukkan.
Yang berarti:
Dioda penyearah gelombang penuh tersebut akan memerlukan 2 fasa input, satu fasa akan mengikuti masukkan sinyal sinus serta satu fasa yang lain berbalikan dengan sinyal input.
Kelebihan:
- Lebih efisien sebab akan mengambil seluruh bagian dari siklus sinyal AC yang disearahkan.
- Menciptakan keluaran dari penyearah gelombang penuh memiliki riak (ripple) yang lebih kecil atau halus.
- Daya yang terserap lebih efisien sebab tidak terdapat siklus yang dibuang.
Kekurangan:
- Keperluan akan satu siklus pembalik yang artinya harus menambah satu gulungan lilitan lagi di dalam transformator dan pemakaian dua buah dioda untuk penyearahan.
- Hal tersebut akan membuat penambahan biaya yang harus ditanggung pada rangkaian tersebut.
Cara Membentuk Penyearah Gelombang Penuh
Terdapat 2 cara untuk menciptakan Full Wave Rectifier/ Penyearah Gelombang Penuh.
Di mana kedua cara itu tetap menggunakan dioda untuk penyearahnya. Namun jumlah dioda yang beda yakni dengan menggunakan 2 dioda serta 4 dioda.
Di dalam penyearah gelombang penuh menggunakan 2 dioda harus memakai Transformer CT.
Sementara penyearah dengan 4 dioda (Full Wave Bridge) tidak perlu untuk menggunakan Transformer CT.
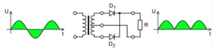
A. Penyearah Gelombang Penuh 2 Dioda
Seperti yang sudah disebutkan di atas, pada penyearah gelombong penuh 2 dioda membutuhkan transformer khusus yang disebut sebagai Transformer CT (Centre Tapped).
Transformer CT nantinya akan memberikan output tegangan yang berbeda fasa 180° melalui kedua terminal output sekunder.
Perbedaan dari fase 180° itu dapat kalian lihat pada gambar berikut:

Pada waktu output dari Transformer CT di terminal pertama memberikan sinyal Positif di dalam D1, maka terminal kedua di dalam Transformer CT nantinya akan memberikan sinyal Negatif (-) yang berbeda fasa 180° bersama terminal pertama.
D1 yang memperoleh sinyal Positif (+) nantinya akan ada di dalam keadaan forward bias/ biasa maju sera melalui sisi sinyal positif (+) tersebut.
Sementara pada D2 yang memperoleh sinyal Negatif (-) akan berada di dalam kondisi reverse bias/ bias terbalik. Sehingga akan menghambat sisi sinyal negatifnya.
Namun sebaliknya, pada waktu gelombang AC di dalam terminal pertama berubah menjadi sinyal negatif, maka D1 akan berada di dalam keadaan reverse bias serta menghambatnya.
Pada terminal kedua yang berbeda pada fasa 180° akan berubah menjadi sinyal Positif sehingga D2 akan berubah menjadi kondisi Forward Bias yang melalui sisi sinyal positif tersebut.
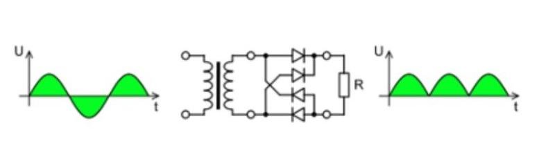
B. Penyearah Gelombang Penuh 4 Dioda
Penyearah gelombang penuh menggunakan 4 dioda merupakan jenis rectifier yang sering digunakan pada rangkaian power supply sebab memberikan kinerja yang lebih baik daripada jenis lainnya.
Jenis penyearah ini juga kerap kali disebut sebagai Bridge Rectifier/ Penyearah Jembatan.

Dilihat dari gambar yang ada di atas, jika transformer mengeluarkan output dari sisi sinyal Positif (+) maka akan membuat output D1 dan D2 ada di dalam keadaan forward Bias.
Sehingga akan melewatkan sinyal Positif itu, sementara pada D3 dan D4 akan menghambat sinyal dari sisi negatifnya.
Lalu pada waktu output transformer berubah menjadi sisi sinyal negatif (-), maka pada D3 dan D4 akan berada di dalam keadaan Forward Bias menjadi melalui sinyal sisi Positif (+) itu.
Sementara untuk D1 dan D2 akan menghambat sinyal negatifnya.
3. Dioda Penyearah Sistem Jembatan

Rectifier penyearah sistem jembatan adalah suatu penyearah yang menggunakan topologi dioda dan disusun dengan menggunakan sistem jembatan (dioda bridge).
Sistem tersebut mengambil seluruh siklus gelombang sinus masukkan, namun menggunakan input fasa tunggal.
Pada sistem ini cenderung lebih lebih efisien daripada menggunakan sistem power supply dengan input fasa tunggal. Sebab akan menghemat pemakaian lilitannya.
Rangkaian dioda bridge menggunakan kerja forward secara bergantian di tiap – tiap dioda yang dimanfaatkan di dalam setiap siklus.
Di dalam siklus positif, dioda pertama serta kedua akan bekerja secara forward dan juga pada siklus negatif. Kemudian dioda ketiga serta keempat yang akan bergantian bekerja secara forward.
4. Penyearah Gelombang dengan Kapasitor

Tegangan yang dihasilkan pada rectifier belum benar – benar rata seperti pada tegangan DC pada umumnya.
Sehingga akan dibutuhkan kapasitor yang berfungsi menjadi filter/ penyaring untuk menekan riple yang berlangsung pada proses penyearahan Gelombang AC.
Nah, pada jenis kapasitor yang umum digunakan adalah kapasitor jenis ELCO (Electrolyte Capacitor).